欢迎来到纳斯卡 • 高品质金属切削刀具
手机版
二维码
首页
产品中心
数控刀片系列
孔加工刀具系列
铣刀系列
检测仪器
铣削刀具
周边附件
新闻资讯
行业资讯
展会信息
行业动态
行业分析
刀具技术
行业知识
金属百科
技术支持
资料信息
数控刀片
钨钢刀具
车削刀具
铣削刀具
机床附件
数控刀柄
镗孔刀具
螺纹刀具
钻削刀具
测量器具
查看更多
资料下载
钻削产品资料
铣削产品资料
车削产品资料
镗孔产品资料
铣削夹持具产品资料
车削附件资料
用户使用指南
关于我们
关于我们
联系方式
隐私政策
付款信息
搜索
语言
简体中文
繁體中文
English
日本语
한어
搜索
选择频道搜索
产品
新闻
资料
下载
热门标签:
钨钢刀具
铣刀盘
倒角刀
切槽
油路刀柄
BT40
镗刀
拉钉
刀座
铣刀
vdi
nbh2084
筒夹
BT50-45
液压刀柄
锁刀座
刀套
热缩
车削刀片
ER32
首页
>
资料
>
数控刀柄
>
油路刀柄
资料分类
数控刀片
>
正角车刀片
>
负角车刀片
>
铣削刀片
>
螺纹车刀片
>
螺纹铣刀片
>
切槽刀片
>
钻头刀片
>
轮毂刀片
>
倒角刀片
>
石油螺纹刀片
>
背车刀片
>
端面槽刀片
>
三面刃铣刀片
钨钢刀具
>
钨钢铣刀
>
钨钢铰刀
>
钨钢钻头
>
钨钢锯片
>
钨钢圆棒
>
钨钢螺纹铣刀
车削刀具
>
外圆车刀杆
>
内孔车刀杆
>
切槽切断刀杆
>
螺纹车刀杆
>
PCD金刚石车刀
>
CBN立方氮化硼车刀
>
刀座刀架
>
内径钨钢抗震车刀杆
铣削刀具
>
铣刀杆
>
铣刀盘
>
锁牙铣刀
>
高速钢铣刀
机床附件
>
锁刀座
>
主轴清洁棒
>
顶尖&顶针
>
精密卡盘
>
钻夹头
>
内径辅助刀座
>
弹性筒夹刀杆
>
VDI动力刀座
>
VDI固定刀座
>
车铣复合刀座
>
BMT刀座
>
拉料器
>
虎钳平口钳
>
压板压块
>
其他附件
数控刀柄
>
热缩刀柄
>
BT刀柄
>
SK刀柄
>
ST刀柄
>
CAT刀柄
>
ISO刀柄
>
HSK刀柄
>
NT刀柄
>
MK刀柄
>
MTA刀柄
>
MTB刀柄
>
NBT刀柄
>
JT刀柄
>
DCK刀柄
>
APU钻夹头刀柄
>
攻牙刀柄
>
检测刀柄
>
油路刀柄
>
延长刀柄
>
刀柄管理系统
>
刀柄附件
镗孔刀具
>
VMD钻头
>
快速钻头
>
微调精镗刀
>
粗镗刀
>
镗刀座
>
镗刀柄
>
镗刀延长杆
>
镗刀杆
>
镗刀片
螺纹刀具
>
进口丝锥
>
国产丝锥
>
塞规环规
>
板牙
>
螺纹铣刀
钻削刀具
>
高速钢钻头
>
高钴钢立铣刀
>
机用铰刀
>
机用丝锥
>
锯片铣刀
>
白钢车刀
测量器具
>
寻边器
>
百分表
>
卡尺
>
千分尺
>
磁性表座
>
虎钳压力计
>
对刀仪
刀具配件
倒角去毛刺
代理品牌
非标定制
环保再利用
纳斯卡•高品质金属切削刀具
客户服务热线
029-81333283
邮箱:14729292929@163.com
手机:14729292929
微信客服,扫码咨询
海报
扫一扫
手机查看详情
分享
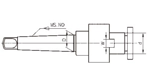
BT50-FMB外转内冷油路刀柄
2026-03-11 17:35
934
同类资料
更多
>
BT50-OSL加工中心高精度油路刀柄外转内冷高速高
BT40-OSL加工中心高精度油路刀柄外转内冷高速高
OSL50油路刀套快速钻头转换套U钻变径刀套数控刀
OSL40油路刀套快速钻头转换套U钻变径刀套数控刀
OSL32油路刀套快速钻头转换套U钻变径刀套数控刀
VMD暴力钻头BT40-OMX外转内冷油路刀柄
VMD暴力钻头BT50-OMX外转内冷油路刀柄
R8-OHER弹性夹头外转内冷油路刀柄
CAT-PFG主轴拉力计
BT50-ER自动换刀外转内冷弹簧夹头油路刀柄
随机推荐产品
HT25.4-PU40可调节轴向车床自动拉料器拔料器
HT25-PU50高速数控车床自动拉料器排刀机自动拔料器
HT20-PU30高速数控车床自动拉料器排刀机自动拔料器
HAR20数控车床新款拉料器拔料器
CR-50车铣复合中心CNC拔料器数控车床自动拉料器
CR-40车铣复合中心CNC拔料器数控车床自动拉料器
CR-30车铣复合中心CNC拔料器数控车床自动拉料器
CR-32车铣复合中心CNC拔料器数控车床自动拉料器
CR-25车铣复合中心CNC拔料器数控车床自动拉料器
ALF2525四方柄数控车床自动拉料器拔料器
纳斯卡客服列表
请选择方便的聊天工具
WEB客服
微信客服
在线咨询
在线留言
QQ客服
售前咨询
售前咨询
售前咨询
非标定制
售后服务
旺旺客服
售前咨询
售前咨询
非标定制
售后服务
联系电话
029-81333283
029-81333283
技术:13488463451
客服邮箱
14729292929@163.com
工作时间:周一至周日 AM 08:30—PM 17:30
微信扫码咨询客服